e-fat/e-cargo

S-Type Pro RF baknavmotor

S-Type Pro RF baknavmotor (frihjul) er designet for E-Cargo og E-Fat sykler, og tilbyr en nominell effekt på 750W til 1500W. Den har et 7-trinns frihjul, et 175 mm dropout og toppmoment over 145Nm. Denne motoren gir sterk trekkraft i lavhastighetsforhold, og sikrer stabil klatreevne i bratte bakker, og myk sand og effektivt løser kraftmangler under høye belastningsforhold. Utstyrt med HENTACHs patenterte gir i plaststål, tilbyr den 5 ganger dreiemomentkapasiteten til tradisjonelle nylongir, som varer over 40 000 km og reduserer vedlikeholdskostnadene betydelig. I e-sykkelapplikasjoner over 1000W er det bare Hengtais plaststålgir som tåler kontinuerlige dreiemomenter over 100Nm.

Nøkkelparameter
Motorstruktur: Nominell spenning (V): Nominell effekt (W):
/ 36-60 600-1500
Maksimalt dreiemoment (N.m.): Vekt (KG): GAMMEL (mm):
145 5.8 175
detaljinformasjon
  • S-Type Pro RF baknavmotor
  • S-Type Pro RF baknavmotor
Ningbo Yinzhou HENTACH Electromechanical Co., Ltd. Product Parameters Ningbo Yinzhou HENTACH Electromechanical Co., Ltd. Drawing Ningbo Yinzhou HENTACH Electromechanical Co., Ltd. Contact Us

Kjernedata

Neiminell effekt 600-1500
Nominell spenning 36-60
Hjuldiameter 20-26
Fartsområde 35-65
Maksimalt dreiemoment 145
Girforhold 5
Vekt (KG) 5.8

Installasjonsparametere

Bremse Skivebrems
Momentsensorkassett No
Kablingsrute Aksel side venstre
Eikehull 2-18-Ф3,2
Vanntett vurdering IP54 (opptil IP65)
Svinghjul/Tandhjul virvelhastighet på syv hastigheter
Sertifikater TUV/EN15194/RoHS

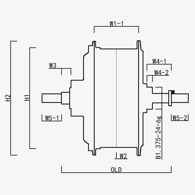
H1/OD: 162
H2/motor OD: 183
W1(-1/-2): 70.8
W2: 0
W3: 15.2
W4(-1/-2): 39/9
W5(-1/-2): 31/27
GAMMEL: 175
Aksellengde: 233
Ningbo Yinzhou HENTACH Electromechanical Co., Ltd.
kontakt oss
  • Send inn og send
Ningbo Yinzhou HENTACH Electromechanical Co., Ltd.
HVA SPARER OSS
  • Kraftig bakre navmotor med 175 mm åpne gir, vurdert opp til 1500w.

  • Oppfunnet patenterte plastgir: 5 ganger dreiemoment av nylongir; levetid større enn 40 000 km; lavere ettersalg

  • Stopp dreiemoment opptil 145NM eller mer, designet for efat/Cargo.

HVEM ER VI Mer enn 20 år produksjonserfaring.

Ningbo Yinzhou HENTACH Electromechanical Co., Ltd. (Tidligere Hengtai Motor) Etablert i 1995 og tidligere kjent som "Hengtai Motor" (det kinesiske navnet på selskapet vårt), tok vi offisielt i bruk det engelske navnet "HENTACH Motor" i 2020. Begge navnene representerer den samme pålitelige produsenten dedikert til elektromekanisk innovasjon i over 30 år. Vi spesialiserer oss på støping og presisjonsbehandling av DC-motorer i miniatyr, navmotorer for elektriske/motorsykler og aluminium-magnesiumlegeringer for elektriske kjøretøy, og vi kombinerer et strengt ISO 9001 kvalitetskontrollsystem, moden ledelsespraksis og banebrytende produksjons-/testingsutstyr for å levere pålitelige løsninger.

Med komplette kapasiteter som spenner fra støping av råvarer til levering av ferdig produkt, betjener vi ulike markeder, inkludert elsykler, lastebiler, AGV-er, golfbiler, landbruksmaskiner og el-kart. Vårt campus på over 9000 kvadratmeter (5000 kvadratmeter bebygd areal) huser over 60 enheter med avansert produksjonsutstyr, inkludert 500-tonns støpemaskiner, presisjons-CNC-maskinverktøy, lasermerkingssystemer, mikrobue-oksidasjonslinjer og to dedikerte testbenker for elektriske kjøretøymotorer. Denne infrastrukturen sikrer effektiv produksjon og streng overholdelse av internasjonale kvalitetsstandarder.

Hos HENTACH (Hengtai) prioriterer vi materialer av høy kvalitet og proprietær teknologi – vårt patenterte nylonstålgir er et vitnesbyrd om vår tekniske fortreffelighet. For å validere holdbarheten lanserte vi en gang et kjørelengdegarantiprogram for motorer over 30 000 miles. Resultatet? Over 50 motorer møtte ikke bare denne standarden, men overgikk den, og noen nådde imponerende 50 000 miles. Denne ytelsen i den virkelige verden reflekterer vårt urokkelige fokus på pålitelighet og motiverer oss til kontinuerlig innovasjon for smartere og sterkere motorløsninger.
Stol på merkevaren kjent globalt som både Hengtai Motor og HENTACH Motor – der patentert stålgirinnovasjon møter bevist holdbarhet.

Sertifisert av Sertifiseringer