Vei / E-vei

D-TYPE GJENNOMAKSEL baknavmotor

D-TYPE THRU AXLE bakre navmotor, designet for e-MTB-er og e-road/Graval-sykler, veier kun 2,4 kg (kassett inkludert) med en 148 mm gjennomgående aksel. Dens lette design og gjennomgående akselstruktur sikrer høy styrke og stabilitet under høyhastighetskjøring. Med en nominell effekt på 48V 250W og over 50Nm stallmoment, er den kompatibel med en dreiemomentsensorkassett, som gir jevn akselerasjon og responsiv ytelse for ulike terreng.

Nøkkelparameter
Motorstruktur: Nominell spenning (V): Nominell effekt (W):
Outrunner navmotor 36-48 220-250
Maksimalt dreiemoment (N.m.): Vekt (KG): GAMMEL (mm):
>50NM 2.4 (Med kassett) 141
detaljinformasjon
  • D-TYPE GJENNOMAKSEL baknavmotor
  • D-TYPE GJENNOMAKSEL baknavmotor
Ningbo Yinzhou HENTACH Electromechanical Co., Ltd. Product Parameters Ningbo Yinzhou HENTACH Electromechanical Co., Ltd. Drawing Ningbo Yinzhou HENTACH Electromechanical Co., Ltd. Contact Us

Kjernedata

Nominell effekt 220-250
Nominell spenning 36-48
Hjuldiameter 20-28
Fartsområde 25-32
Maksimalt dreiemoment >50NM
Girforhold 6.3
Vekt (KG) 2.4 (med kassett)

Installasjonsparametere

Bremse skivebrems
Momentsensorkassett Ja
Kablingsrute Aksel side venstre
Eikehull 2-18-Ф3,2
Vanntett vurdering IP54 (opptil IP65)
Svinghjul/Tandhjul Kassett 7-12speed/Kassett 7-12speed
Sertifikater TUV/EN15194/RoHS

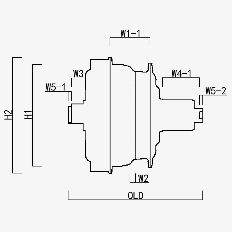
H1/OD: 112
H2/motor OD: 128
W1(-1/-2): 44
W2: 6
W3: 15.25
W4(-1/-2): 42.5
W5(-1/-2): 3.5
GAMMEL: 141
Aksellengde: 148
Ningbo Yinzhou HENTACH Electromechanical Co., Ltd.
kontakt oss
  • Send inn og send
Ningbo Yinzhou HENTACH Electromechanical Co., Ltd.
HVA SPARER OSS
  • Patentert plaststålgir: 5 ganger dreiemomentet til nylongir; levetid større enn 40 000 km; lavere ettersalgsservice

  • Ekstern rotormotor: mer stabil struktur og lavere feilfrekvens sammenlignet med intern rotor

  • Standard 10mm tønneakselstruktur, lettere og mindre, med en giråpning på 142mm, kan oppnå et dreiemoment på >50NM, 250w tønneakselmotoren med det største dreiemomentet på markedet

HVEM ER VI Mer enn 20 år produksjonserfaring.

Ningbo Yinzhou HENTACH Electromechanical Co., Ltd. (Tidligere Hengtai Motor) Etablert i 1995 og tidligere kjent som "Hengtai Motor" (det kinesiske navnet på selskapet vårt), tok vi offisielt i bruk det engelske navnet "HENTACH Motor" i 2020. Begge navnene representerer den samme pålitelige produsenten dedikert til elektromekanisk innovasjon i over 30 år. Vi spesialiserer oss på støping og presisjonsbehandling av DC-motorer i miniatyr, navmotorer for elektriske/motorsykler og aluminium-magnesiumlegeringer for elektriske kjøretøy, og vi kombinerer et strengt ISO 9001 kvalitetskontrollsystem, moden ledelsespraksis og banebrytende produksjons-/testingsutstyr for å levere pålitelige løsninger.

Med komplette kapasiteter som spenner fra støping av råvarer til levering av ferdig produkt, betjener vi ulike markeder, inkludert elsykler, lastebiler, AGV-er, golfbiler, landbruksmaskiner og el-kart. Vårt campus på over 9000 kvadratmeter (5000 kvadratmeter bebygd areal) huser over 60 enheter med avansert produksjonsutstyr, inkludert 500-tonns støpemaskiner, presisjons-CNC-maskinverktøy, lasermerkingssystemer, mikrobue-oksidasjonslinjer og to dedikerte testbenker for elektriske kjøretøymotorer. Denne infrastrukturen sikrer effektiv produksjon og streng overholdelse av internasjonale kvalitetsstandarder.

Hos HENTACH (Hengtai) prioriterer vi materialer av høy kvalitet og proprietær teknologi – vårt patenterte nylonstålgir er et vitnesbyrd om vår tekniske fortreffelighet. For å validere holdbarheten lanserte vi en gang et kjørelengdegarantiprogram for motorer over 30 000 miles. Resultatet? Over 50 motorer møtte ikke bare denne standarden, men overgikk den, og noen nådde imponerende 50 000 miles. Denne ytelsen i den virkelige verden reflekterer vårt urokkelige fokus på pålitelighet og motiverer oss til kontinuerlig innovasjon for smartere og sterkere motorløsninger.
Stol på merkevaren kjent globalt som både Hengtai Motor og HENTACH Motor – der patentert stålgirinnovasjon møter bevist holdbarhet.

Sertifisert av Sertifiseringer