eMTB / E-last

E-Type Pro RF750 bakre navmotor

E-Type Pro RF750 baknavmotor er designet for E-Cargo og E-MTB sykler, kompatibel med 7-trinns gjenger på frihjul og en 135 mm gammel. Den nominelle effekten er 750W med over 85Nm dreiemoment, som håndterer høy belastning og komplekse terreng med letthet. Utstyrt med patenterte gir i plaststål, gir motoren 5 ganger dreiemomentkapasiteten til nylongir, varer over 40 000 km og reduserer vedlikeholdskostnadene betydelig. Enten på bratte bakker, ulendte stier eller tung lasttransport, gir den eksepsjonell klatreevne og umiddelbar akselerasjon.

Nøkkelparameter
Motorstruktur: Nominell spenning (V): Nominell effekt (W):
Bakdrevet navmotor 36-48 350-750
Maksimalt dreiemoment (N.m.): Vekt (KG): GAMMEL (mm):
85 5.5 137
detaljinformasjon
  • E-Type Pro RF750 bakre navmotor
  • E-Type Pro RF750 bakre navmotor
Ningbo Yinzhou HENTACH Electromechanical Co., Ltd. Product Parameters Ningbo Yinzhou HENTACH Electromechanical Co., Ltd. Drawing Ningbo Yinzhou HENTACH Electromechanical Co., Ltd. Contact Us

Kjernedata

Neiminell effekt 350-750
Nominell spenning 36-48
Hjuldiameter 20-28
Fartsområde 25-38
Maksimalt dreiemoment 85
Girforhold 5.27
Vekt (KG) 5.5

Installasjonsparametere

Bremse Skivebrems
Momentsensorkassett No
Kablingsrute Aksel side venstre
Eikehull 2-18-Ф3,2
Vanntett vurdering IP54 (opptil IP65)
Svinghjul/Tandhjul Roterende 7-trinns
Sertifikater TUV/EN15194/RoHS

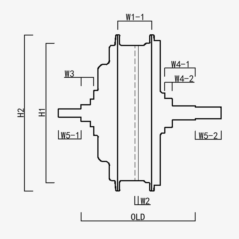
H1/OD: 167
H2/motor OD: 187
W1(-1/-2): 40.8
W2: 4.15
W3: 15.2
W4(-1/-2): 37/9
W5(-1/-2): 27/31
GAMMEL: 137
Aksellengde: 195
Ningbo Yinzhou HENTACH Electromechanical Co., Ltd.
kontakt oss
  • Send inn og send
Ningbo Yinzhou HENTACH Electromechanical Co., Ltd.
HVA SPARER OSS
  • Kraftig bakdrevet navmotor, med 7-trinns roterende svinghjul, 135 mm giråpning, høyere tilpasningsevne og nominell effekt på opptil 750w.

  • Patentert plaststålgir: 5 ganger dreiemomentet til nylongir; levetid større enn 40 000 kilometer; lavere ettersalg

  • Stallmoment opptil 85NM, spesialdesignet for eMTB/Cargo.

HVEM ER VI Mer enn 20 år produksjonserfaring.

Ningbo Yinzhou HENTACH Electromechanical Co., Ltd. (Tidligere Hengtai Motor) Etablert i 1995 og tidligere kjent som "Hengtai Motor" (det kinesiske navnet på selskapet vårt), tok vi offisielt i bruk det engelske navnet "HENTACH Motor" i 2020. Begge navnene representerer den samme pålitelige produsenten dedikert til elektromekanisk innovasjon i over 30 år. Vi spesialiserer oss på støping og presisjonsbehandling av DC-motorer i miniatyr, navmotorer for elektriske/motorsykler og aluminium-magnesiumlegeringer for elektriske kjøretøy, og vi kombinerer et strengt ISO 9001 kvalitetskontrollsystem, moden ledelsespraksis og banebrytende produksjons-/testingsutstyr for å levere pålitelige løsninger.

Med komplette kapasiteter som spenner fra støping av råvarer til levering av ferdig produkt, betjener vi ulike markeder, inkludert elsykler, lastebiler, AGV-er, golfbiler, landbruksmaskiner og el-kart. Vårt campus på over 9000 kvadratmeter (5000 kvadratmeter bebygd areal) huser over 60 enheter med avansert produksjonsutstyr, inkludert 500-tonns støpemaskiner, presisjons-CNC-maskinverktøy, lasermerkingssystemer, mikrobue-oksidasjonslinjer og to dedikerte testbenker for elektriske kjøretøymotorer. Denne infrastrukturen sikrer effektiv produksjon og streng overholdelse av internasjonale kvalitetsstandarder.

Hos HENTACH (Hengtai) prioriterer vi materialer av høy kvalitet og proprietær teknologi – vårt patenterte nylonstålgir er et vitnesbyrd om vår tekniske fortreffelighet. For å validere holdbarheten lanserte vi en gang et kjørelengdegarantiprogram for motorer over 30 000 miles. Resultatet? Over 50 motorer møtte ikke bare denne standarden, men overgikk den, og noen nådde imponerende 50 000 miles. Denne ytelsen i den virkelige verden reflekterer vårt urokkelige fokus på pålitelighet og motiverer oss til kontinuerlig innovasjon for smartere og sterkere motorløsninger.
Stol på merkevaren kjent globalt som både Hengtai Motor og HENTACH Motor – der patentert stålgirinnovasjon møter bevist holdbarhet.

Sertifisert av Sertifiseringer