E-vei / E-by

HT MINI frihjulsmotor baknav

HT MINI Thread on Freewheel-navmotor er designet for e-by- og landeveissykler, noe som gjør den til en av de minste navmotorene for ekstern rotor på markedet. Den er kompatibel med 36V til 48V batterisystemer, veier bare 1,95 kg, og tilbyr en nominell effekt på 220W med over 30Nm dreiemoment. Motoren kan nå opptil 250W med et stallmoment på 40Nm. Den eksterne rotordesignen reduserer kumulative feil, forbedrer styrke, stabilitet og holdbarhet.

Nøkkelparameter
Motorstruktur: Nominell spenning (V): Nominell effekt (W):
Outrunner navmotor 36-48 180-250
Maksimalt dreiemoment (N.m.): Vekt (KG): GAMLE (mm):
40 1,95(220w) 135
detaljinformasjon
  • HT MINI frihjulsmotor baknav
  • HT MINI frihjulsmotor baknav
Ningbo Yinzhou HENTACH Electromechanical Co., Ltd. Product Parameters Ningbo Yinzhou HENTACH Electromechanical Co., Ltd. Drawing Ningbo Yinzhou HENTACH Electromechanical Co., Ltd. Contact Us

Kjernedata

Neiminell effekt 180-250
Nominell spenning 36-48
Hjuldiameter 20-28
Fartsområde 25-38
Maksimalt dreiemoment 40
Girforhold 5
Vekt (KG) 1,95 (220w)

Installasjonsparametere

Bremse Skivebrems
Momentsensorkassett No
Kablingsrute Aksel Midt Høyre
Eikehull 2-18-Ф3,2
Vanntett vurdering IP54 (opptil IP65)
Svinghjul/Tandhjul Roterende 7-trinns
Sertifikater TUV/EN15194/RoHS

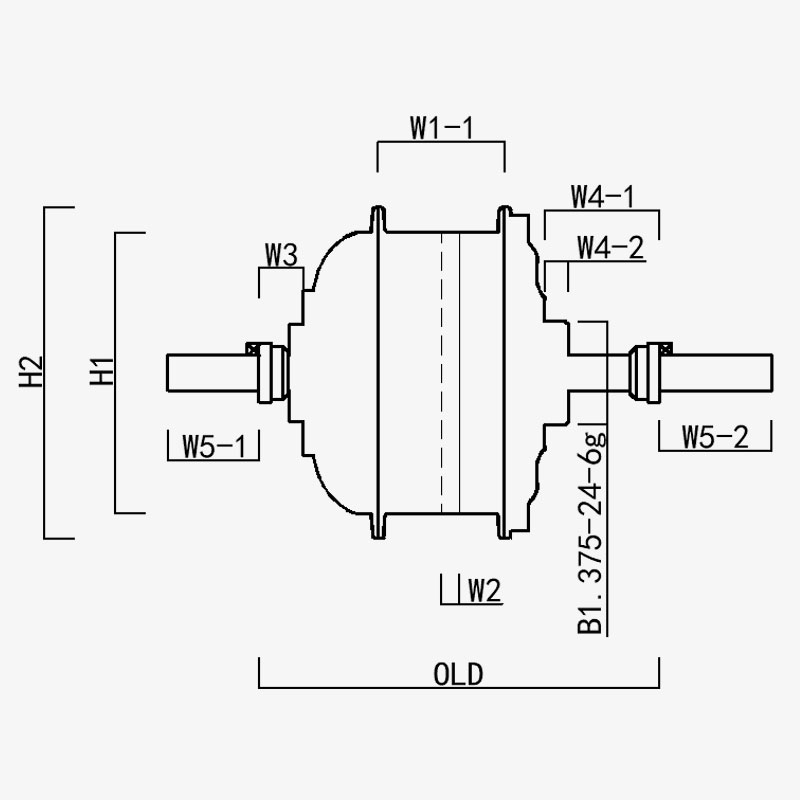
H1/OD: 95.5
H2/motor OD: 112.5
W1(-1/-2): 43
W2: 6
W3: 15
W4(-1/-2): 39/9
W5(-1/-2): 31/39
GAMMEL: 135
Aksellengde: 205
Ningbo Yinzhou HENTACH Electromechanical Co., Ltd.
kontakt oss
  • Send inn og send
Ningbo Yinzhou HENTACH Electromechanical Co., Ltd.
HVA SPARER OSS
  • Motoren har en ytre diameter på 95 mm, med et 7-trinns roterende svinghjul, som bare veier 1,95 kg, en ultralett ytre rotormotor, merkeeffekt på 250w, og et stallmoment på opptil 40NM. En elsykkelpartner.

  • Patentert plaststålgir: 5 ganger dreiemomentet til nylongir; levetid større enn 40 000 kilometer; lavere ettersalg

  • Ytre rotormotor: mer stabil struktur enn indre rotor, lavere feilfrekvens

HVEM ER VI Mer enn 20 år produksjonserfaring.

Ningbo Yinzhou HENTACH Electromechanical Co., Ltd. (Tidligere Hengtai Motor) Etablert i 1995 og tidligere kjent som "Hengtai Motor" (det kinesiske navnet på selskapet vårt), tok vi offisielt i bruk det engelske navnet "HENTACH Motor" i 2020. Begge navnene representerer den samme pålitelige produsenten dedikert til elektromekanisk innovasjon i over 30 år. Vi spesialiserer oss på støping og presisjonsbehandling av DC-motorer i miniatyr, navmotorer for elektriske/motorsykler og aluminium-magnesiumlegeringer for elektriske kjøretøy, og vi kombinerer et strengt ISO 9001 kvalitetskontrollsystem, moden ledelsespraksis og banebrytende produksjons-/testingsutstyr for å levere pålitelige løsninger.

Med komplette kapasiteter som spenner fra støping av råvarer til levering av ferdig produkt, betjener vi ulike markeder, inkludert elsykler, lastebiler, AGV-er, golfbiler, landbruksmaskiner og el-kart. Vårt campus på over 9000 kvadratmeter (5000 kvadratmeter bebygd areal) huser over 60 enheter med avansert produksjonsutstyr, inkludert 500-tonns støpemaskiner, presisjons-CNC-maskinverktøy, lasermerkingssystemer, mikrobue-oksidasjonslinjer og to dedikerte testbenker for elektriske kjøretøymotorer. Denne infrastrukturen sikrer effektiv produksjon og streng overholdelse av internasjonale kvalitetsstandarder.

Hos HENTACH (Hengtai) prioriterer vi materialer av høy kvalitet og proprietær teknologi – vårt patenterte nylonstålgir er et vitnesbyrd om vår tekniske fortreffelighet. For å validere holdbarheten lanserte vi en gang et kjørelengdegarantiprogram for motorer over 30 000 miles. Resultatet? Over 50 motorer møtte ikke bare denne standarden, men overgikk den, og noen nådde imponerende 50 000 miles. Denne ytelsen i den virkelige verden reflekterer vårt urokkelige fokus på pålitelighet og motiverer oss til kontinuerlig innovasjon for smartere og sterkere motorløsninger.
Stol på merkevaren kjent globalt som både Hengtai Motor og HENTACH Motor – der patentert stålgirinnovasjon møter bevist holdbarhet.

Sertifisert av Sertifiseringer