Vei / E-vei

HT MINI2 GJENNOMAKSEL baknavmotor

HT MINI2 7 mm thru-axle navmotor er designet for high-end landeveissykler og city thru-axle ebike. Den har en 7 mm gjennomgående akseldesign, kompatibel med 10 mm og 12 mm aksler, veier kun 1,75 kg (uten kassett). 135 mm dropout-design og 35Nm dreiemoment sikrer høy ytelse. Kabeluttaket på venstre side optimerer kabelhåndteringen og forbedrer stabiliteten og sikkerheten. Utstyrt med patenterte gir i plaststål, gir motoren fem ganger styrken til nylongir, varer over 40 000 km og reduserer vedlikeholdskostnadene. Den eksterne rotordesignen minimerer kumulative feil, og sikrer høyere styrke og holdbarhet.

Nøkkelparameter
Motorstruktur: Nominell spenning (V): Nominell effekt (W):
Outrunner navmotor 36-48 180-220
Maksimalt dreiemoment (N.m.): Vekt (KG): GAMMEL (mm):
35 1,95 (med kassett) 135
detaljinformasjon
  • HT MINI2 GJENNOMAKSEL baknavmotor
  • HT MINI2 GJENNOMAKSEL baknavmotor
Ningbo Yinzhou HENTACH Electromechanical Co., Ltd. Product Parameters Ningbo Yinzhou HENTACH Electromechanical Co., Ltd. Drawing Ningbo Yinzhou HENTACH Electromechanical Co., Ltd. Contact Us

Kjernedata

Nominell effekt 180-220
Nominell spenning 36-48
Hjuldiameter 20-28
Fartsområde 25-32
Maksimalt dreiemoment 35
Girforhold 5
Vekt (KG) 1,95 (med kassett)

Installasjonsparametere

Bremse skivebrems
Momentsensorkassett Tilgjengelig
Kablingsrute Aksel side venstre
Eikehull 2-18-Ф3,2
Vanntett vurdering IP54 (opptil IP65)
Svinghjul/Tandhjul Kassett 7-12 hastigheter
Sertifikater TUV/EN15194/RoHS

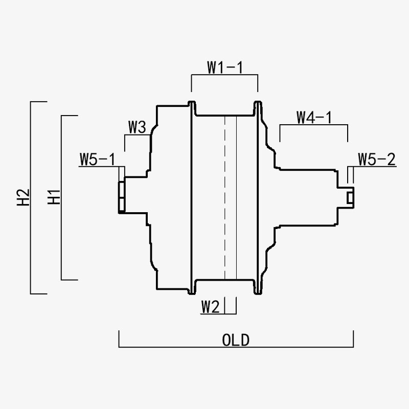
H1/OD: 99.7
H2/motor OD: 116.7
W1(-1/-2): 40
W2: 7
W3: 15.25
W4(-1/-2): 42.5
W5(-1/-2): 3.5
GAMMEL: 135
Aksellengde: 142
Ningbo Yinzhou HENTACH Electromechanical Co., Ltd.
kontakt oss
  • Send inn og send
Ningbo Yinzhou HENTACH Electromechanical Co., Ltd.
HVA SPARER OSS
  • Patentert plaststålgir: 5 ganger dreiemomentet til nylongir; levetid større enn 40 000 km; lavere ettersalgsservice

  • Ekstern motor: mer stabil struktur og lavere feilfrekvens sammenlignet med intern rotor

  • 7mm tønneaksel kan tilpasses 10mm tønneakselstruktur, lettere og mindre, med en giråpning på 135mm, og kan oppnå et dreiemoment på 35NM

HVEM ER VI Mer enn 20 år produksjonserfaring.

Ningbo Yinzhou HENTACH Electromechanical Co., Ltd. (Tidligere Hengtai Motor) Etablert i 1995 og tidligere kjent som "Hengtai Motor" (det kinesiske navnet på selskapet vårt), tok vi offisielt i bruk det engelske navnet "HENTACH Motor" i 2020. Begge navnene representerer den samme pålitelige produsenten dedikert til elektromekanisk innovasjon i over 30 år. Vi spesialiserer oss på støping og presisjonsbehandling av DC-motorer i miniatyr, navmotorer for elektriske/motorsykler og aluminium-magnesiumlegeringer for elektriske kjøretøy, og vi kombinerer et strengt ISO 9001 kvalitetskontrollsystem, moden ledelsespraksis og banebrytende produksjons-/testingsutstyr for å levere pålitelige løsninger.

Med komplette kapasiteter som spenner fra støping av råvarer til levering av ferdig produkt, betjener vi ulike markeder, inkludert elsykler, lastebiler, AGV-er, golfbiler, landbruksmaskiner og el-kart. Vårt campus på over 9000 kvadratmeter (5000 kvadratmeter bebygd areal) huser over 60 enheter med avansert produksjonsutstyr, inkludert 500-tonns støpemaskiner, presisjons-CNC-maskinverktøy, lasermerkingssystemer, mikrobue-oksidasjonslinjer og to dedikerte testbenker for elektriske kjøretøymotorer. Denne infrastrukturen sikrer effektiv produksjon og streng overholdelse av internasjonale kvalitetsstandarder.

Hos HENTACH (Hengtai) prioriterer vi materialer av høy kvalitet og proprietær teknologi – vårt patenterte nylonstålgir er et vitnesbyrd om vår tekniske fortreffelighet. For å validere holdbarheten lanserte vi en gang et kjørelengdegarantiprogram for motorer over 30 000 miles. Resultatet? Over 50 motorer møtte ikke bare denne standarden, men overgikk den, og noen nådde imponerende 50 000 miles. Denne ytelsen i den virkelige verden reflekterer vårt urokkelige fokus på pålitelighet og motiverer oss til kontinuerlig innovasjon for smartere og sterkere motorløsninger.
Stol på merkevaren kjent globalt som både Hengtai Motor og HENTACH Motor – der patentert stålgirinnovasjon møter bevist holdbarhet.

Sertifisert av Sertifiseringer